公众号平台
非金属托辊Φ159-淮南中兴实业有限责任公司工业分公司
矿用隔爆兼本安型直流稳压电源KDW127/18B-中矿龙科能源科技(北京)股份有限公司燕郊分公司
掘进机用隔爆型三相异步电动机YBUD132/75-4/8(660/1140)-三一集团有限公司北京分公司
矿用隔爆兼本质安全型组合变频器BPJ1-2×710/1140-山东拓新电气有限公司
矿用隔爆兼本安型直流稳压电源KDW127/18-枣庄凯尔实业有限公司
塑料整芯阻燃输送带680S-河南三木橡胶工业有限公司
矿用隔爆型双速三相异步电动机YBSD-375/187-4/8GA(3300)-卧龙电气南阳防爆集团股份有限公司
矿用本安型音箱KXY12(A)-山西巨安电子技术股份有限公司
支架搬运车WC60Y-山西天地煤机装备有限公司
四层钢丝缠绕中压液压支架软管4SP-6.3、10、12.5、16、19、25、31.5、38、51-沧州日东升橡胶制品有限责任公司
载体催化元件MJC4/2.8J-邯郸市达安机电有限公司
掩护式液压支架ZY12000/29/65-重庆大江信达车辆股份有限公司
推移平销 液压支架配件 推移平销60*335
销轴
弹簧销 刮板机配件圆柱弹簧销
弹簧销
液压支架阀 液压支架双向锁 兴隆支架阀 双向锁
双向锁
厂家供应高品质矿用 液压支柱扩缸机 单体支柱液压油缸修复器
扩缸机(单体支柱液压油缸修复器)撑缸机
专业生产销售SF-II型三用阀试验台
SF-II型三用阀试验台
矿用双针压力表 煤矿支架压力表 耐震压力表BZY60/80
压力表
联系我时,请说是在找煤机网看到的,有更多优惠
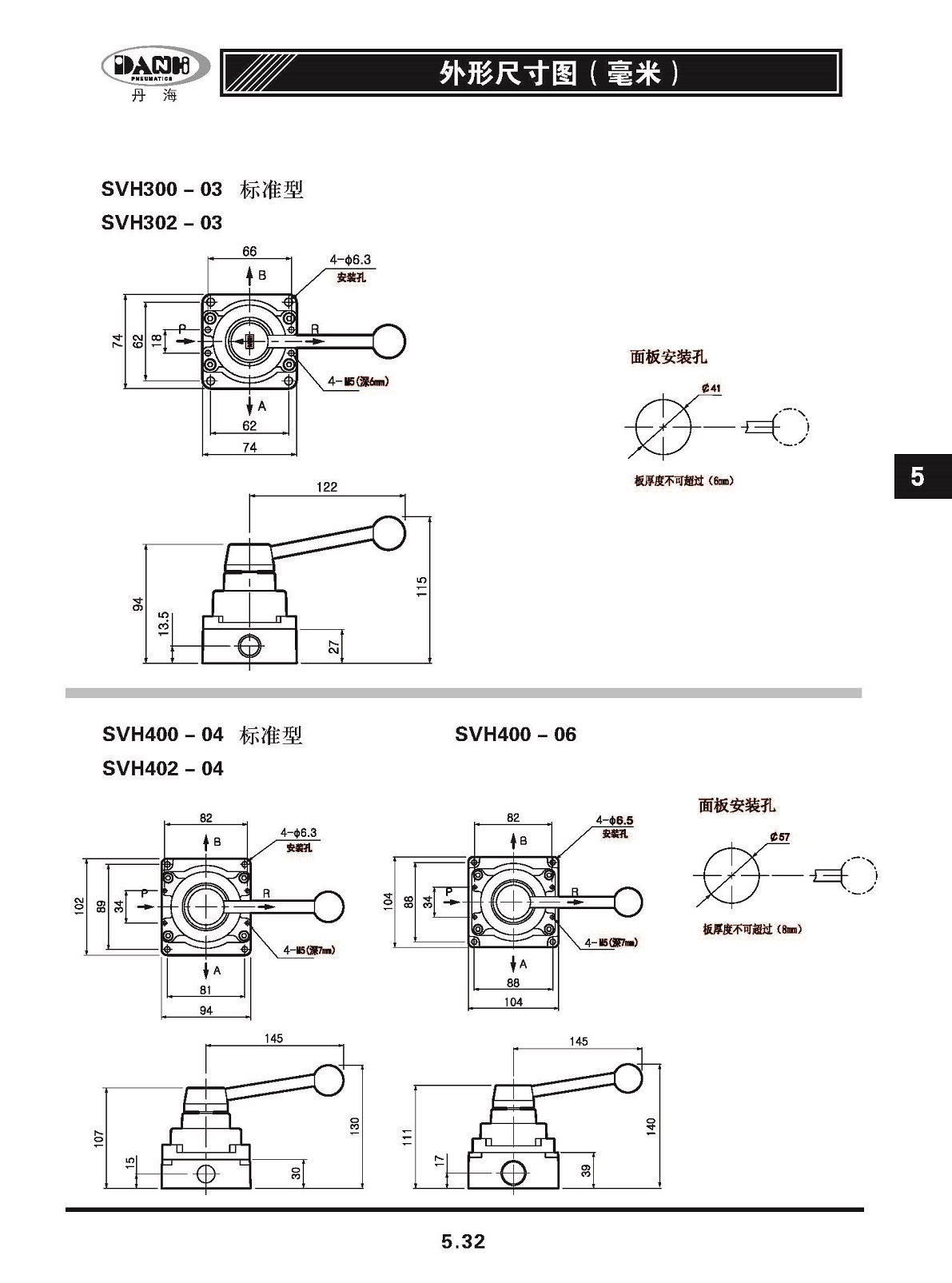
韩国DANHI丹海SVH系列4通手动阀,手扳阀,手转阀,手动换向阀,面板安装手动阀,面板安装手扳阀,四通手动阀,四通手扳阀,四通旋转阀,2位4通换向阀,2位4通手动阀,3位4通换向阀,3位4通手动阀,3位4动手扳阀,2位4通手扳阀:SVH200-02,SVH202-02,SVH210-02,SVH212-02,SVH300-03,SVH302-03,SVH310-03,SVH312-03,SVH400-04,SVH402-04,SVH410-04,SVH400-06。
ER430 符合 YB/T 5092 H10Cr17 AWS A5.9 ER43
GH605高温合金
GH605钴基合金棒GH605板材圆钢
W18Cr4V2Co8高速钢
W18Cr4V2Co8高速钢棒材W18Cr4V2Co8高速钢圆棒
汉龙双兴堆焊耐磨焊条
阀门模具矿山石油耐磨焊条
NX188
NX188化学成分NX188对应国内牌号
DF-3
DF-3是什么钢材DF-3圆棒板材切割模具钢
日盛冷干机过滤器滤芯L620AO/V2 L620AA/V2
8418
DIEVAR是什么钢材8418圆棒板材按需求切割
NS312(NS3102)
NS312(NS3102)不锈钢板棒材哪家有卖
多种气体采取器
GZY-50圆筒型正压式多种气体采取器
韩国DANHI丹海SVH系列4通手动阀,手扳阀,手转阀,手动换向阀,面板安装手动阀,面板安装手扳阀,四通手动阀,四通手扳阀,四通旋转阀,2位4通换向阀,2位4通手动阀,3位4通换向阀,3位4通手动阀,3位4动手扳阀,2位4通手扳阀:SVH200-02,SVH202-02,SVH210-02,SVH212-02,SVH300-03,SVH302-03,SVH310-03,SVH312-03,SVH400-04,SVH402-04,SVH410-04,SVH400-06。